TOP
欢迎您访问山东德海微朗能源设备有限公司官网!废气治理解决方案咨询电话:0531-88551699

联系我们

全国服务热线:

0531-88551699

山东德海微朗能源设备有限公司

电 话:0531-88551699

手 机:15106996688

邮 箱:277563596@QQ.com

地 址:山东省济南市市中区魏华西路6号

网 址:www.sddhwl.cn

当前位置: 首 页 > 资讯动态 > 行业资讯

废气治理 | 集气罩的合理设计

2021-05-28
前言

集气罩主要是进行污染气体的捕集,由于设备污染源和生产操作工艺的不同,相应集气罩的形式是多种多样的。合理的设计和正确的使用对净化系统技术经济指标有直接影响。本文提出结合工厂生产的实际情况进行合理设计,使相关环保设备对有害气体的控制,取得了一定效果。


集气罩设计

密闭型

密闭型集气罩是将污染源局部或整体密封起来,使污染物的扩散被限制在一定的空间内,便于捕集和净化处理。但密闭型的必须在罩口留有必要的工作区或物料进出口,以及设有观察窗和检修门。

图1为PVC产品的印刷车间生产过程中集气罩结构,由于化工原料散发出刺鼻的气味,及有害气体的浓度极高,虽然加装了大功率的抽气吸味装置,由于机台转动工件随输送线运动及风扇等横向气流的干扰,集气罩结构不理想,捕集效果不好,致使大量气体外逸。针对这种情况改成密闭型结构如图2所示,将输送线全部密闭,由进出料口进风,通过罩口进行抽吸空气,使密封罩内保持负压,这样有效的控制了污染空气的扩散。从理论上分析,罩内的排风量Q为:Q=VA(m3/h) (1)

V—通过开口及缝隙处流速m/sA—开口及缝隙的总面积m2。

从式(1)可知,若保持流速V不变,减小密封罩开口面积A,相应排风量Q减少,从而可使系统运行能耗降低。由于密封罩足够严密,使罩内能维持一定负压,防止污染气体逸出,车间内的生产环境明显好转。

因此,密封型集气罩是较经济有效,即是集气罩设计的先选型式。


废气治理


外部型

当受到生产设备和工艺条件限制不能将污染源全部或局部密封时,可采用外部型,即将集气罩设在污染源近旁,将罩口对准污染源,靠罩口气流运动把污染源散发出来的混合气体吸入罩内。由于罩口离污染源有一定的距离,易受到其他方向气流干扰,与密封罩相比需要较大风量才能控制污染气流扩散,捕集效率较低。因此,根据目前各种形式集气罩的使用效果比较,合理的设计罩口能得到较好的效果。


设计实例分析


废气治理


图3为工业生产中广泛使用的装配加工生产线的集气罩结构,采用大尺寸罩口,罩口吸气面积A较大,需配以较大排风量,因而不能有效集中控制风量吸捕污染源散发出来的污染气体。

若将其设计改为如图4所示,即在罩内加装弧形挡板,使整体大罩口被分隔成小罩口,对准工件(污染源)上方,这样大大减小了罩口面积A,相应排风量Q减小,使用较小的吸风量即有效的控制了污染气体的逸出,产生了较好效益。

废气治理

废气治理



图5为循环烘箱工件脱模工序的集气罩结构,经加热后的化工制品及模具离型剂,产生了大量的有害气体,为了有效吸气和不妨碍工人操作,将集气罩置于工作台的正上方,罩口距离较远,这样不仅增大了罩口的吸气范围,而且容易受到室内其他气流干扰,同时在污染气体抽吸入罩口过程,经过操作人员的口、鼻,直接危害工人的健康。

若将其设计改为如图6所示,即将集气罩置于操作人员的另一侧,并贴近污染源,这样使集气罩口面积减小,排风量也降低,用较少能耗得到所需的捕集速度,同时避免污染气体被吸入操作人员的口、鼻,改善了工作环境,保证了工人身体健康。


其他形式集气罩

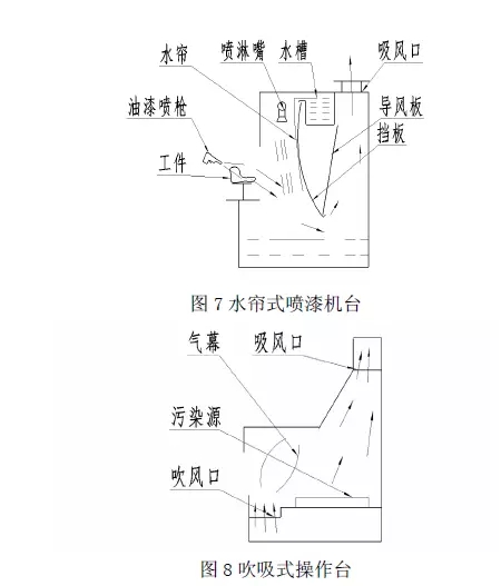
工业生产过程中由于工艺操作的特点及现场实际情况集气罩必须满足其特殊要求,如喷漆工序产生大量的过剩雾化颗粒与周围空气形成的混合污染气体,通过罩口直接吸入就增加了净化设备的负担,且滞留、粘附于管壁的油漆不易清理。

如图7根据该工艺特点在集气口前加装了喷漆水嘴及挡板,使之形成一道水帘,喷漆枪喷出雾化的油漆经过挡板阻隔及水帘过滤后,利用导风板将处理后的混合气流吸入罩内,这样有效的控制了污染向周边环境扩散,减轻了净化设备的负担,也避免了油漆粘附于管壁,简化了日后的维修清理,水帘式喷漆机台的吸气结构较为经济,有效的控制喷漆工序造成的周边环境污染。

废气治理


在某些情况下外部罩与污染源距离较远,结构上不允许将罩口靠近污染源,单纯依靠罩口的抽吸气流作用往往控制不了污染源的扩散。

采用图8吹吸式操作台联合罩结构产生了较好的效果。

联合罩利用吹气气流(喷射气流)比吸气气流速度衰减大数十倍的特性,即在一侧吸气的同时在另一侧吹出气流,形成一道气幕,从而组成吹吸联合集气罩,有效的阻止了有害气体外逸扩散,有效的提高了控制效果。吹吸式集气罩由于依靠吹吸气流联合对有害气体进行控制输送,具有风量小,污染控制效果好,抗干扰能力强,不影响工艺操作等的优点,近年来在国内外得到了日益广泛的应用。


结束语

工程应用中如何确定集气罩的结构形式是一个相当复杂的问题,通过实例分析比较,集气罩应结合具体不同使用环境,不同工作用途,以及污染源的状况而进行设计,可提高集气罩的控制能力和净化效果。对应用不良的集气罩,在不影响生产工艺和生产操作的前提下,进行合理改进,可获得风量能耗小,对有害物从污染源散入环境的控制效果较好等技术经济指标,一定程度上保证了操作工人的健康


德海微朗公司专业生产废气处理环保设备,设备有:电捕焦油器rco催化燃烧设备RTO蓄热燃烧设备、光氧催化废气处理设备、光氧活性炭一体机、等离子光氧一体机、气旋混动喷淋塔、pp喷淋塔、活性炭吸附箱、沸石转轮+RTO、脉冲式滤筒除尘器、脉冲布袋除尘器等环保设备,设备有低配、标配、高配,加工的催化燃烧设备有co催化燃烧一体机,在线、离线rco催化燃烧可以供您参考选择,适应您的不同的投资成本,欢迎新老客户来公司考察,把您需要了解的设备告诉我们,我们提供设备的详细参数、配置、价格,您可以拨打电话咨询:0531-88855169915063341211


标签

上一篇:VOC废气处理技术工艺详解2021-05-26

最近浏览: